|
Назад к приборам
Мезодиэнцефальная модуляция (МДМ) - это терапевтический метод коррекции состояния адаптационной системы человека.
В настоящее время установлено, что “качество жизни”, т. е. сопротивляемость внешним и внутренним повреждающим факторам, нормальная работоспособность и психический статус зависят от состояния адаптационной системы человека.
Мезодиэнцефальная модуляция – метод транскраниальной электротерапии, который нейтрализует повреждающее действие стресса и улучшает работу адаптационной (в том числе иммунной) системы организма путем нормализации работы нейроэндокринных центров головного мозга.
МДМ более 12 лет применяется в медицинских учреждениях от Украины до Сахалина. Число пациентов, прошедших один или несколько курсов лечения превышает 10 000. Положительные клинические результаты отмечены у 80 – 92% больных с различными заболеваниями. Проведены многолетние наблюдения при повторных курсах, побочных эффектов и осложнений не выявлено. Единственное противопоказание – металлические осколки в головном мозге.
Преимуществами метода МДМ являются его простота (процедура проводится один раз в день по 30 минут, стандартный курс 10 дней), неинвазивность, хорошая переносимость, высокая терапевтическая эффективность.
Основные области применения МДМ.
МЕДИЦИНА: ТЕРАПИЯ, в том числе кардиология (ИБС: стенокардия, инфаркт миокарда, гипертоническая болезнь, недостаточность кровообращения, миокардит, нарушения ритма); пульмонология (бронхиальная астма, бронхит, пневмония); гастроэнтерология (язвенная болезнь желудка и 11-ти перстной кишки, гастрит, колит, холецисто-панкреатит), эндокринология (сахарный диабет, нарушения функции щитовидной и паращитовидных желез), ревматология (артриты); ХИРУРГИЯ (подготовка к операции, стабилизация гемодинамики во время операции, профилактика послеоперационных осложнений и уско-рение восстановления функции оперированных органов, заживления послеоперационных швов); ГИНЕКОЛОГИЯ, в том числе воспалительные заболевания, дисфункции, бесплодие; УРОЛОГИЯ (воспалительные заболевания, аденома простаты, нарушения потенции); ТРАВМАТОЛОГИЯ И ОРТОПЕДИЯ, в том числе множественные и сочетанные травмы; ОЖОГИ И ОТМОРОЖЕНИЯ, в том числе обширные; НЕВРОЛОГИЯ (радикулиты, невриты, остеохондроз, нейроцир-куляторная дистония, состояние после нарушения мозгового кровообращения); ДЕРМАТОЛОГИЯ (экзема, нейродермит, псориаз, пиодермии); ИММУНОДЕФИЦИТНЫЕ СОСТОЯНИЯ И АЛЛЕРГИЧЕСКИЕ ЗАБОЛЕВАНИЯ; ИНФЕКЦИОННЫЕ ЗАБОЛЕВАНИЯ, в том числе тонзиллит, мононуклеоз, грипп, ОРЗ. СТОМАТОЛОГИЯ (воспалительные заболевания); ПСИХИАТРИЯ (неврозы, астенические и депрессивные состояния, логопедические заболевания); МЕДИЦИНА КАТАСТРОФ И СКОРАЯ МЕДИЦИНСКАЯ ПОМОЩЬ (начало МДМ-терапии на максимально ранние сроки дает наиболее выраженный результат на дальнейшее течение заболевания); ПЕДИАТРИЯ.
CПОРТ, ДИСПЕТЧЕРСКИЕ СЛУЖБЫ: снятие психо-эмоционального напряжения, повышение реакции и внимания.
(информация взята из сайта http://medapton.ru/)
В связи с тем, что цена на подобные приборы неоправданно высокая и недоступна для большинства простых людей, я разработал прибор, который обладает подобными характеристиками, но цена деталей, используемых в нем 10-15у.е.
Для сравнения вот выдержка из прайса:
«МЕДАПТОН» - медицинские приборы нового поколения для проведения сеансов транскраниальной электростимуляции головного мозга (мезодиэнцефальной модуляции) с использованием постоянной и импульсной составляющих сигнала, для активации собственной защитной системы организма, достижения адаптогенного, антистрессорного, репаративного и иммуномодулирующего эффектов - 1950 у.е.
Более подробная информация об аппарате и мезодиэнцефальной модуляции - здесь
В моем приборе используются 3 базовых формы импульса:
1 , 2 , 3
Для упрощения и удешевления прибора управление производится двумя кнопками - одна - выбор режима, вторая - пуск режим характеризуется количеством сигналов в сериях -1, 1 или 3, после пуска удержанием первой кнопки добавляем, а второй - убираем ток. При отсутствии контакта прибор сигнализирует звуком. По окончании сеанса также раздастся три звуковых сигнала. Электроды обмотать мокрой тканью - положительный (справа по схеме) - на лоб, отрицательный (слева) - на затылок ниже волосистой части головы, закрепить можно широкой резинкой (продается в отделах где нитки, пуговицы) сшитой в кольцо. Добавлять ток до начала болевых ощущений. Длительность сеанса - чуть более 30 минут.
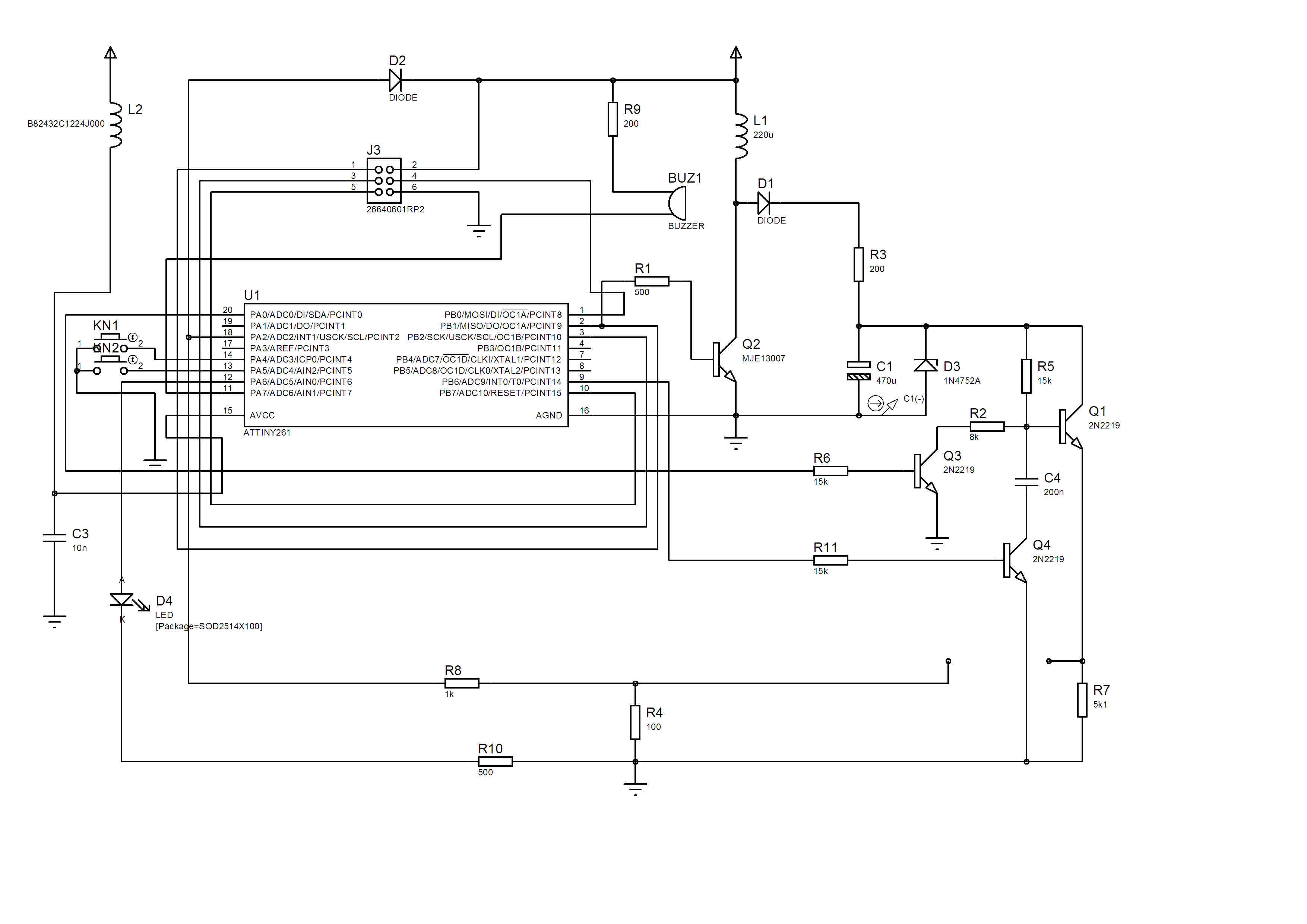
Принципиальная схема, прошивка и др. (в CodeVisionAVR написана для контр. ATYNY26) схема в Proteus 7.6 (в каталоге \obj\)
Fuse -bits установлены следующие - SPIEN = 0, CKSEL2 = 0, CKSEL3 = 0, остальные не запрограммированные (= 1).
Принципиальная схема (jpg)
ПЕРЕЧЕНЬ ЗАБОЛЕВАНИЙ И СХЕМЫ МДМ-ТЕРАПИИ ПРИБОРОМ
Стандартный курс МДМ-терапии состоит из 10-ти ежедневных получасовых процедур. Ниже приводятся ориентировочные схемы лечения (чередование программ на приборе) при ряде заболеваний в разных возрастных группах.
Заболевание |
Номера программ в соответствии с днем лечения (для возраста 14-60 лет) |
Номера программ в соответствии с днем лечения (для возраста старше 60 лет) |
ИБС: стенокардия |
1 |
1 |
1 |
2 |
2 |
2 |
2-3 |
2-3 |
3 |
3 |
3 |
3 |
3 |
1 |
1 |
2 |
2-3 |
2-3 |
3 |
3 |
|
|
|
|
|
|
|
|
|
|
ИБС: стенокардия с гипертонической болезнью |
3 |
3 |
1 |
2 |
2 |
3-3 |
2-3 |
3 |
3 |
3 |
3 |
3 |
3 |
1 |
1 |
3-3 |
2-3 |
3 |
3 |
3 |
ИБС: острый инфаркт миокарда |
1 |
1 |
1 |
2 |
2 |
2 |
2 |
1 |
1 |
1 |
1 |
1 |
1 |
2 |
2 |
2 |
2 |
1 |
3 |
3 |
ИБС: стенокардия, постинфарктный кардиосклероз. |
3 |
3 |
1 |
2 |
2 |
2 |
1 |
3 |
3 |
3 |
3 |
3 |
3 |
1 |
1 |
2 |
2 |
1 |
3 |
3 |
ИБС:
стенокардия, постинфарктный кардиосклероз с недостаточностью кровообращения |
3 |
3 |
3 |
3 |
3 |
3 |
3 |
3 |
3 |
3 |
3 |
3 |
3 |
3 |
3 |
3 |
3 |
3 |
3 |
3 |
ИБС:
стенокардия, постинфарктный кардиосклероз, недостаточность кровообращения, с гипертонической болезнью. |
3 |
3 |
3 |
1 |
1 |
1 |
1 |
2 |
2 |
3 |
3 |
3 |
3 |
1 |
1 |
3 |
3 |
3 |
3 |
3 |
Гипертоническая болезнь |
1 |
1 |
1 |
1 |
2 |
2 |
1 |
2 |
3 |
3 |
3 |
3 |
1 |
1 |
2 |
2 |
2 |
3 |
3 |
3 |
Гипертоническая болезнь с дис-циркуляторной энцефалопатией |
3 |
3 |
3 |
3 |
3 |
3 |
3 |
3 |
3 |
3 |
3 |
3 |
3 |
3 |
3 |
3 |
3 |
3 |
3 |
3 |
Нарушения ритма без ИБС. |
3 |
3 |
3 |
1 |
1 |
1 |
2 |
1 |
3 |
3 |
3 |
3 |
3 |
3 |
3 |
1 |
1 |
1 |
3 |
3 |
Миокардит |
1 |
1 |
1 |
2 |
2 |
2 |
2 |
2 |
1 |
1 |
3 |
3 |
3 |
1 |
2 |
2 |
2 |
2 |
3 |
3 |
Порок сердца (ревматический, врожденный) с недостаточностью кровообращения |
3 |
3 |
3 |
3 |
1 |
2 |
2 |
3 |
3 |
3 |
3 |
3 |
3 |
3 |
3 |
2 |
2 |
3 |
3 |
3 |
Порок сердца
(ревматический, врожденный), недостаточность кровообращения с гипертонической болезнью. |
3 |
3 |
3 |
3 |
3 |
1 |
1 |
3 |
3 |
3 |
3 |
3 |
3 |
3 |
3 |
3 |
3 |
3 |
3 |
3 |
Бронхиальная астма |
1 |
1 |
2 |
2 |
2 |
1 |
1 |
1 |
3 |
3 |
3 |
3 |
1 |
2 |
2 |
2 |
1 |
1 |
3 |
3 |
Бронхит (острый) |
1 |
1 |
1 |
1 |
1 |
1 |
1 |
2 |
2 |
1 |
3 |
3 |
3 |
1 |
1 |
2 |
1 |
2 |
2 |
3 |
Пневмония (острая, обострение хронической). |
1 |
1 |
1 |
2 |
2 |
3 |
3 |
2-3 |
2-3 |
3 |
3 |
3 |
1 |
1 |
2 |
2 |
2 |
3-3 |
2-3 |
3 |
Язвенная болезнь желудка и 12-ти перстной кишки |
1 |
1 |
1 |
2 |
2 |
2 |
2 |
1 |
1 |
1 |
3 |
3 |
3 |
1 |
2 |
2 |
2 |
1 |
3 |
3 |
Гастрит |
1 |
1 |
1 |
2 |
2 |
1 |
2 |
1 |
3 |
3 |
3 |
3 |
1 |
2 |
2 |
1 |
2 |
1 |
3 |
3 |
Холецисто-панкреатит |
3 |
3 |
1 |
2 |
2 |
2 |
2 |
2 |
3 |
3 |
3 |
3 |
2 |
2 |
2 |
2 |
2 |
3 |
3 |
3 |
Колит |
1 |
1 |
1 |
2 |
2 |
3 |
3 |
2 |
1 |
1 |
3 |
3 |
3 |
1 |
1 |
2 |
2 |
2 |
1 |
1 |
Дисциркуляторная энцефалопатия (атеросклероз сосудов головного мозга) |
3 |
3 |
3 |
3 |
3 |
3 |
3 |
3-3 |
2-3 |
3 |
3 |
3 |
3 |
3 |
3 |
3 |
3 |
3-3 |
2-3 |
3 |
Вертебрально-базилярная недостаточность |
3 |
3 |
3 |
3 |
3 |
3 |
3 |
3 |
3 |
3 |
3 |
3 |
3 |
3 |
3 |
3 |
3 |
3 |
3 |
3 |
Нейро-циркуляторная дистония |
3 |
3 |
3-3 |
3-3 |
3-3 |
2-3 |
2-3 |
2-3 |
2 |
2 |
3 |
3 |
3-3 |
3-3 |
3-3 |
2-3 |
2-3 |
2-3 |
3 |
3 |
Состояние после нарушения мозгового кровообращения |
3 |
3 |
3-3 |
3-3 |
3-3 |
3-3 |
2-3 |
3 |
3 |
3 |
3 |
3 |
3-3 |
3-3 |
3-3 |
3-3 |
3 |
3 |
3 |
3 |
Радикулит,
невриты |
1 |
1 |
1 |
1 |
2 |
2 |
2 |
2 |
2 |
2 |
3 |
3 |
3 |
1 |
2 |
2 |
2 |
2 |
2 |
3 |
Остеохондроз
позвоночника. |
3 |
3 |
1 |
1 |
2 |
2 |
2 |
2 |
1 |
1 |
3 |
3 |
3 |
3 |
1 |
2 |
2 |
2 |
1 |
3 |
Неврозы |
3 |
3 |
3 |
3 |
1 |
1 |
3 |
3 |
3 |
3 |
3 |
3 |
3 |
3 |
3 |
3 |
3 |
3 |
3 |
3 |
Сахарный диабет |
1 |
1 |
2 |
2 |
2 |
2 |
3 |
3 |
3 |
3 |
3 |
3 |
3 |
1 |
2 |
2 |
3 |
3 |
3 |
3 |
Простатит |
1 |
2 |
2 |
2 |
2 |
2 |
1-3 |
1-3 |
1 |
1 |
3 |
3 |
3 |
1 |
2 |
2 |
1-3 |
1-3 |
1 |
3 |
Аденома простаты |
3 |
3 |
3 |
3 |
3 |
1 |
1 |
2 |
2 |
2 |
3 |
3 |
3 |
1 |
2 |
2 |
3 |
3 |
3 |
3 |
Пиелонефрит |
2 |
2 |
2 |
1 |
1 |
3 |
3 |
3 |
2 |
2 |
3 |
3 |
3 |
1 |
1 |
3 |
3 |
3 |
3 |
3 |
Воспалительные заболевания, эндометриоз |
1 |
1 |
1 |
1 |
1 |
1 |
1 |
1 |
1 |
1 |
3 |
3 |
3 |
1 |
2 |
2 |
2 |
3 |
3 |
3 |
Нарушения менструального цикла |
3 |
3 |
3 |
3 |
1 |
2 |
1 |
2 |
2 |
2 |
- |
- |
- |
- |
- |
- |
- |
- |
- |
- |
Нейродермит, экзема |
1 |
1 |
2 |
2 |
2 |
2 |
2 |
2 |
3 |
3 |
3 |
3 |
1 |
2 |
2 |
2 |
2 |
2 |
3 |
3 |
Псориаз |
3 |
3 |
3 |
3 |
3 |
3 |
2 |
1 |
2 |
2 |
- |
- |
- |
- |
- |
- |
- |
- |
- |
- |
Грипп, ОРВИ |
1 |
2 |
1 |
1 |
2 |
2 |
2 |
1 |
1 |
1 |
3 |
3 |
1 |
2 |
2 |
2 |
3 |
3 |
3 |
3 |
Тонзиллит |
1 |
1 |
1 |
1 |
3 |
3 |
3 |
1 |
2 |
2 |
3 |
3 |
3 |
1 |
2 |
3 |
3 |
1 |
3 |
3 |
Хирургическая патология |
1 |
1 |
2 |
2 |
2 |
2 |
2 |
1 |
3 |
3 |
3 |
3 |
3 |
1 |
2 |
2 |
2 |
1 |
3 |
3 |
Травма, в том числе множествен-ная и сочетанная |
2 |
2 |
2 |
2 |
2 |
1 |
1 |
1 |
1 |
1 |
3 |
3 |
3 |
2 |
2 |
1 |
1 |
1 |
3 |
3 |
Ожоги и отморожения |
2 |
2 |
2 |
2 |
3 |
3 |
3 |
2 |
1 |
1 |
3 |
3 |
3 |
1 |
2 |
2 |
1 |
3 |
3 |
3 |
Артрит |
1 |
1 |
2 |
2 |
3 |
3 |
3 |
3 |
2 |
1 |
3 |
3 |
3 |
1 |
2 |
2 |
3 |
3 |
3 |
3 |
Атеросклероз сосудов конечностей |
1 |
1 |
1 |
1 |
1 |
2 |
2 |
2 |
2 |
2 |
3 |
3 |
3 |
1 |
1 |
2 |
2 |
2 |
3 |
3 |
Гайморит, фронтит |
1 |
1 |
1-3 |
1-3 |
2-3 |
2-3 |
2-3 |
2 |
2 |
2 |
3 |
1 |
1-3 |
1-3 |
3-3 |
2-3 |
2-3 |
2 |
3 |
3 |
Перидонтит |
1 |
1 |
1 |
1 |
2 |
1 |
1 |
2 |
2 |
2 |
3 |
3 |
3 |
1 |
2 |
1 |
2 |
2 |
2 |
3 |
Сексуальные расстройства |
3 |
3-3 |
2-3 |
2-3 |
2-3 |
3 |
3 |
3 |
3 |
3 |
- |
- |
- |
- |
- |
- |
- |
- |
- |
- |
Нарушения речевого развития |
3 |
3 |
3-3 |
3-3 |
2-3 |
3 |
3 |
3 |
3 |
3 |
- |
- |
- |
- |
- |
- |
- |
- |
- |
- |
Вопросы и отзывы посылайте на email: laz65ukr.net
|